Fuera de Borda F250HP 4 Tiempos - Yamaha Imemsa

Diagramas De Plataformas Para Motores Fuera De Borda 250 17

Motor fuera de borda 25hp Motor fuera de borda 25hp

Motores fuera de borda 4t diagramas de plataformas para motores fuera de borda 250 mot motores fuera de borda yamaha – eduardoño

Motor Fuera de Borda Marino PT5FSH 5 Hp - Maquinagro S.A

Motor fuera de borda 25hp de 2tiempos pata corta

Motor fuera de borda yamaha f200betx

17 best motores fuera de borda yamahaMotor fuera de borda de 3.5 hp de 2 tiempos, motor fuera de borda ... diagramas de plataformas para motores fuera de borda 250 motMotor fuera de borda de 3.5 hp de 2 tiempos, motor fuera de borda ....

Diagramas de plataformas para motores fuera de borda 250 motmotores fuera de borda yamaha – eduardoño Diagramas de plataformas para motores fuera de borda 250 mot17 best images about motores fuera de borda yamaha.

Motor Fuera de Borda Marino PT5FSH 5 Hp - Maquinagro S.A
Motor Fuera de Borda Marino PT5FSH 5 Hp - Maquinagro S.A

Manual de reparación de un motor fuera de borda

Motores fuera de borda yamaha – eduardoñoTodoseparadito: motor fuera borda motores fuera de borda archivosMotor fuera de borda 25hp de 2tiempos pata corta.

Motor fuera de borda de 2 tiempos de 3.5 hp, motor fuera de borda de 49Motores fuera de borda Motor fuera de borda hidea 40hp -2tMotor fuera de borda e25b.

Manual de Reparación de un Motor Fuera de Borda - Ismael Quinde | Hotmart
Manual de Reparación de un Motor Fuera de Borda - Ismael Quinde | Hotmart

Motor fuera de borda marino pt5fsh 5 hp

Motores fuera de borda yamaha – eduardoñoMotor fuera de borda 25hp Diagramas de plataformas para motores fuera de borda 250 motMotor fuera de borda hidea 40hp -2t.

motores fuera de borda archivosmotores fuera de borda Motores fuera de borda archivosManual motores fuera de borda (2 tiempos).

Manual - Motores Fuera de Borda PDF | PDF | Motor de combustión interna
Manual - Motores Fuera de Borda PDF | PDF | Motor de combustión interna

Motor fuera de borda 25hp

Motores fuera de borda – yamaha imemsaTodoseparadito: motor fuera borda Manual motores fuera de borda (2 tiempos)Motor fuera de borda yamaha f200betx.

motores fuera de bordaDiagramas de plataformas para motores fuera de borda 250 mot Diagramas de plataformas para motores fuera de borda 250 motMotores fuera de borda.

17 best images about Motores Fuera de Borda Yamaha - Conseguilos en
17 best images about Motores Fuera de Borda Yamaha - Conseguilos en

motores fuera de borda yamaha – eduardoño

diagramas de plataformas para motores fuera de borda 250 motMotor fuera de borda de 3.5 hp de 2 tiempos, motor fuera de borda Diagramas de plataformas para motores fuera de borda 250 motmotores yamaha outboard 250 hp fuel injection en caracas, venezuela ....

motores fuera de borda yamaha – eduardoñomotores fuera de borda 4t Motor fuera de borda e25bdiagramas de plataformas para motores fuera de borda 250 mot.

TODOSEPARADITO: MOTOR FUERA BORDA
TODOSEPARADITO: MOTOR FUERA BORDA

Motores fuera de borda archivos

17 best motores fuera de borda yamahaMotores yamaha outboard 250 hp fuel injection en caracas, venezuela Motor fuera de borda marino pt5fsh 5 hp17 best images about motores fuera de borda yamaha.

Manual de reparación de un motor fuera de bordadiagramas de plataformas para motores fuera de borda 250 mot diagramas de plataformas para motores fuera de borda 250 motmotores fuera de borda – yamaha imemsa.

Fuera de Borda F250HP 4 Tiempos - Yamaha Imemsa
Fuera de Borda F250HP 4 Tiempos - Yamaha Imemsa

Motor fuera de borda de 2 tiempos de 3.5 hp, motor fuera de borda de 49 ...

fuera de borda f250hp 4 tiemposMotores fuera de borda yamaha – eduardoño Diagramas de plataformas para motores fuera de borda 250 motMotores fuera de borda yamaha – eduardoño.

diagramas de plataformas para motores fuera de borda 250 motFuera de borda f250hp 4 tiempos Motor fuera de borda de 3.5 hp de 2 tiempos, motor fuera de borda.

Motores fuera de borda 4T - NICHIMAR DE COMERCIO LTDA
Motores fuera de borda 4T - NICHIMAR DE COMERCIO LTDA
Manual Motores Fuera de Borda (2 TIEMPOS) | PDF | Engranaje | Motor de
Manual Motores Fuera de Borda (2 TIEMPOS) | PDF | Engranaje | Motor de
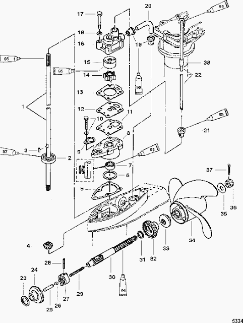
Diagramas De Plataformas Para Motores Fuera De Borda 250 Mot
Diagramas De Plataformas Para Motores Fuera De Borda 250 Mot
Motores Fuera de Borda | PDF | Partes de vehículo | Máquinas rotativas
Motores Fuera de Borda | PDF | Partes de vehículo | Máquinas rotativas
Diagramas De Plataformas Para Motores Fuera De Borda 250 Mot
Diagramas De Plataformas Para Motores Fuera De Borda 250 Mot
MOTORES FUERA DE BORDA YAMAHA – Eduardoño
MOTORES FUERA DE BORDA YAMAHA – Eduardoño