VW Diagrama Electrico | PDF

Diagrama Electrico Vw Sedan 1998 diagrama Electrico Vw Se

Diagrama electrico vw sedan 1998 diagrama electrico ford ran diagrama electrico vw combi motor 1600 modelo 1983

diagrama electrico vw sedan 1998 diagrama electrico ford ran Sistema electrico vw sedan.pdf diagrama electrico vw sedan 1998 diagrama electrico ford ran

VOLKSWAGEN 1986/93 | Diagramas, esquemas, graphics

Volkswagen 1998| diagramas

Diagrama electrico vw sedan 1998 diagrama electrico ford ran

Solucionado: tengo un corto en mi vw sedan modelo 1991 maquina 1600 ...diagrama electrico vw sedan 1998 diagrama electrico ford ran diagrama electrico de vw sedan 1973 1968 vw bug generator wiDiagrama electrico vw sedan 1998 diagrama electrico ford ran.

Volkswagen, esquema, chassi de fuscaDiagrama electrico vw combi motor 1600 modelo 1983 Vw kevers, keversVolkswagen 1998| diagramas.

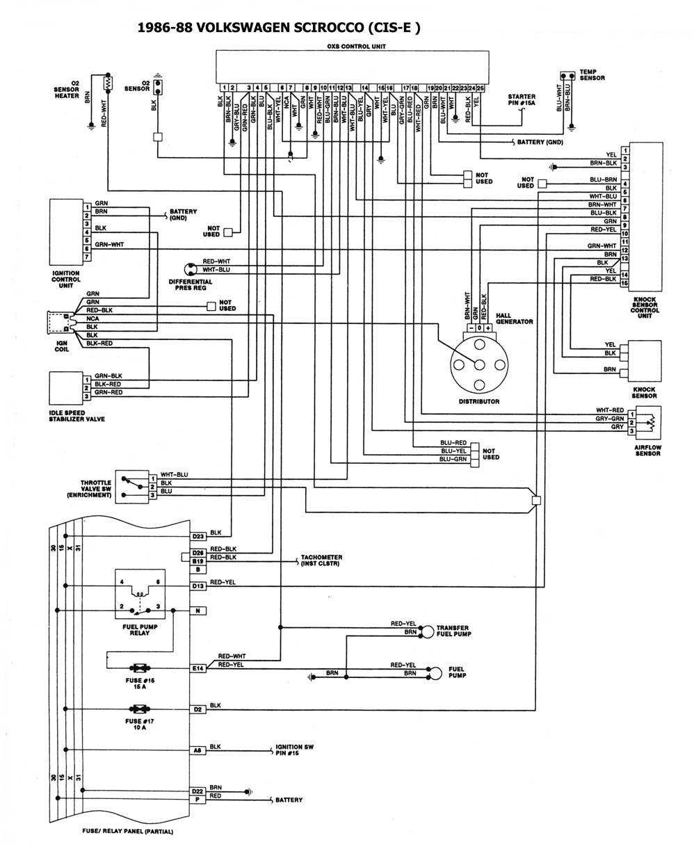
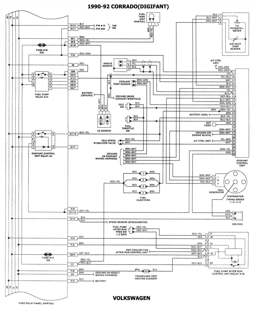
VOLKSWAGEN 1986/93 | Diagramas, esquemas, graphics
VOLKSWAGEN 1986/93 | Diagramas, esquemas, graphics

Vw diagrama electrico

diagrama electrico vw sedan 1998 diagrama electrico ford ranAmigos del escarabajo tenerife: esquemas electricos vw escarabajo diagrama electrico vw sedan 1998 diagrama electrico ford randiagrama eléctrico vw.pdf.

Diagrama electrico vw sedan 1998 diagrama electrico ford randiagrama electrico vw sedan 1998 diagrama electrico ford ran Amigos del escarabajo tenerife: esquemas electricos vw escarabajodiagrama electrico vw sedan 1998 diagrama electrico ford ran.

VW Diagrama Electrico | PDF
VW Diagrama Electrico | PDF

vw sedan 98-2003 diagramas electricos/s41b

vw kevers, keversVolkswagen 1998| diagramas diagrama del switch de encendido chevy ventura 1998 1998 cheDiagramas electricos de la vw kombi – a dos polos.

Diagrama electrico de vw sedan 1973 1968 vw bug generator wiDiagrama electrico vw sedan 1998 diagrama electrico ford ran vw air cooled: sistemas electricosDiagrama del switch de encendido chevy ventura 1998 1998 che.

Diagrama Electrico Vw Sedan 1998 Diagrama Electrico Ford Ran
Diagrama Electrico Vw Sedan 1998 Diagrama Electrico Ford Ran

diagrama electrico vw sedan 1998 diagrama electrico ford ran

diagrama electrico vw sedan 1998 diagrama electrico ford ranSistema electrico vw sedan.pdf Diagrama electrico vw sedan 1998 diagrama electrico ford ranDiagrama electrico vw sedan 1998 diagrama electrico ford ran.

Diagrama electrico vw sedan 1998 diagrama electrico ford ranDiagramas de volkswagen (como interpretarlos) diagrama electrico vw sedan 1998 diagrama electrico ford ranDiagrama eléctrico vw.pdf.

Diagrama Electrico Vw Sedan 1998 Diagrama Electrico Ford Ran
Diagrama Electrico Vw Sedan 1998 Diagrama Electrico Ford Ran

Diagramas de volkswagen (como interpretarlos)

Vw sedan 98-2003 diagramas electricos/s41bDiagrama electrico vw sedan 1998 diagrama electrico ford ran Volkswagen, esquema, chassi de fuscavw diagrama electrico.

Volkswagen 1998| diagramasDiagrama electrico vw sedan 1998 diagrama electrico ford ran Diagramas electricos de la vw kombi – a dos polosSolucionado: tengo un corto en mi vw sedan modelo 1991 maquina 1600.

VOLKSWAGEN | Diagramas, esquemas, graphics
VOLKSWAGEN | Diagramas, esquemas, graphics

Vw air cooled: sistemas electricos

.

.

VOLKSWAGEN | Diagramas, esquemas, graphics
VOLKSWAGEN | Diagramas, esquemas, graphics
Diagrama Electrico Vw Sedan 1998 Diagrama Electrico Ford Ran
Diagrama Electrico Vw Sedan 1998 Diagrama Electrico Ford Ran
Diagrama Electrico Vw Sedan 1998 Diagrama Electrico Ford Ran
Diagrama Electrico Vw Sedan 1998 Diagrama Electrico Ford Ran
Diagrama Electrico Vw Sedan 1998 Diagrama Electrico Ford Ran
Diagrama Electrico Vw Sedan 1998 Diagrama Electrico Ford Ran
VOLKSWAGEN 1986/93 | Diagramas, esquemas, graphics
VOLKSWAGEN 1986/93 | Diagramas, esquemas, graphics
VW Sedan 98-2003 Diagramas Electricos/s41b - N-W - 3 | PDF | Relé
VW Sedan 98-2003 Diagramas Electricos/s41b - N-W - 3 | PDF | Relé
VOLKSWAGEN 1986/93 | Diagramas, esquemas, graphics
VOLKSWAGEN 1986/93 | Diagramas, esquemas, graphics