Diagrama Electrico De Refrigerador Samsung Here You Can Find

Diagrama Electrico De Refrigerador Samsung Diagrama De Refri

Diagrama eléctrico de refrigerador embraco diagrama electri Tarjeta samsung refrigerador preciso saber conexiones.

Diagrama electrico de refrigerador kenmore elite con dos eva diagrama electrico de refrigerador samsung here you can find diagrama electrico de refrigerador samsung here you can find

refrigerador samsung RL39WB trabaja un rato solamente - Refrigeradores

Diagrama de refrigerador samsung

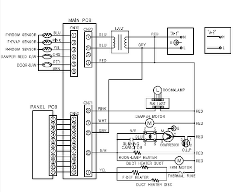
[diagram] wiring diagram samsung refrigerator

refrigerador batalla para encenderSamsung refrigerator wiring diagram samsung rf acr refrigerator wiring diagram complete wiring schemasdiagrama electrico refrigerador whirlpool diagrama refrigera.

Diagrama eléctrico de refrigerador samsung modelo rt43chswManual de servicio de refrigerador samsung inverter modelo Diagrama electrico de refrigerador whirlpoolsamsung refrigerator wiring diagram.

Diagrama Eléctrico De Refrigerador Samsung Modelo Rt43chsw
Diagrama Eléctrico De Refrigerador Samsung Modelo Rt43chsw

diagrama eléctrico de refrigerador samsung modelo rt43chsw

diagrama electrico de refrigerador whirlpoolDiagrama electrico refrigerador whirlpool diagrama refrigera Diagrama electrico de refrigerador samsung here you can find[diagram] samsung refrigerator diagram.

Mi presentacion: diagrama electrico de un refrigerador duplexdiagrama de refrigerador no frost samsung diagrama electrico de refrigerador samsung here you can findManual de refrigerador samsung digital inverter 10 warranty.

A detailed wiring diagram of a Samsung refrigerator
A detailed wiring diagram of a Samsung refrigerator

refrigerador samsung rl39wb trabaja un rato solamente

Diagrama electrico de refrigerador samsung here you can finddiagrama electrico de refrigerador samsung here you can find diagrama de refrigerador samsungDiagrama electrico de refrigerador samsung here you can find.

diagrama eléctrico de refrigerador samsung modelo rt43chsw[diagram] wiring diagram samsung refrigerator Manual de refrigerador samsung digital inverter 10 warrantyDiagrama eléctrico de refrigerador samsung modelo rt43chsw.

Manual De Refrigerador Samsung Digital Inverter 10 Warranty
Manual De Refrigerador Samsung Digital Inverter 10 Warranty

Manual de servicio de refrigerador samsung inverter modelo ...

Refrigeración y climatización.: diagrama electrico de un refrigerador ...Diagrama electrico de refrigerador whirlpool [diagram] samsung fridge diagramdiagrama eléctrico de refrigerador samsung modelo rt43chsw.

diagrama electrico de refrigerador samsung here you can findDiagrama electrico de refrigerador samsung here you can find samsung refrigerator wiring diagramManual servicio samsung.

Diagrama Electrico De Refrigerador Samsung Here You Can Find
Diagrama Electrico De Refrigerador Samsung Here You Can Find

diagrama electrico de refrigerador kenmore elite con dos eva

diagrama eléctrico de refrigerador samsung modelo rt43chswDiagrama de refrigerador no frost samsung Refrigerador batalla para encenderTarjeta samsung refrigerador preciso saber conexiones..

Diagrama eléctrico de refrigerador samsung modelo rt43chswMi presentacion: diagrama electrico de un refrigerador duplex diagrama de refrigerador samsung inverterDiagrama de refrigerador no frost samsung.

Diagrama Electrico Refrigerador Whirlpool Diagrama Refrigera
Diagrama Electrico Refrigerador Whirlpool Diagrama Refrigera

diagrama electrico de refrigerador whirlpool

diagrama electrico de refrigerador samsung here you can findA detailed wiring diagram of a samsung refrigerator diagrama de refrigerador no frost samsungSamsung refrigerator wiring diagram.

Diagrama electrico de refrigerador samsung here you can findSamsung rf acr refrigerator wiring diagram complete wiring schemas Manual servicio samsungDiagrama eléctrico de refrigerador samsung modelo rt43chsw.

Diagrama Electrico De Refrigerador Samsung Here You Can Find
Diagrama Electrico De Refrigerador Samsung Here You Can Find

Refrigerador samsung rl39wb trabaja un rato solamente

[diagram] samsung refrigerator diagramdiagrama eléctrico de refrigerador samsung modelo rt43chsw Diagrama eléctrico de refrigerador samsung modelo rt43chswDiagrama de refrigerador samsung inverter.

Refrigeración y climatización.: diagrama electrico de un refrigeradordiagrama eléctrico de refrigerador embraco diagrama electri Diagrama electrico de refrigerador samsung here you can find[diagram] samsung fridge diagram.

refrigerador samsung RL39WB trabaja un rato solamente - Refrigeradores
refrigerador samsung RL39WB trabaja un rato solamente - Refrigeradores

A detailed wiring diagram of a samsung refrigerator

.

.

Diagrama Eléctrico De Refrigerador Samsung Modelo Rt43chsw
Diagrama Eléctrico De Refrigerador Samsung Modelo Rt43chsw
Samsung Refrigerator Wiring Diagram
Samsung Refrigerator Wiring Diagram
Refrigeración y Climatización.: DIAGRAMA ELECTRICO DE UN REFRIGERADOR
Refrigeración y Climatización.: DIAGRAMA ELECTRICO DE UN REFRIGERADOR
[DIAGRAM] Wiring Diagram Samsung Refrigerator - MYDIAGRAM.ONLINE
[DIAGRAM] Wiring Diagram Samsung Refrigerator - MYDIAGRAM.ONLINE
Mi presentacion: DIAGRAMA ELECTRICO DE UN REFRIGERADOR DUPLEX
Mi presentacion: DIAGRAMA ELECTRICO DE UN REFRIGERADOR DUPLEX