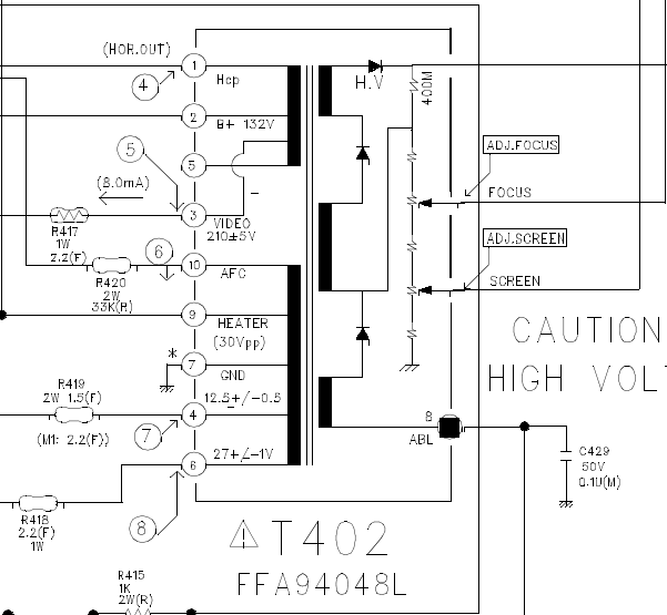
Diagrama De Tv Daewoo De Flyback Modelo Dtq14v8ss Tv Daewoo

Diagrama De Tv Daewoo De Flyback Modelo Dtq14v8ss Flyback Tv

diagrama de tv daewoo modelo dtq 14v8ss la solución parar r tv daewoo modelo dtq-20v1ss no da imagen

diagrama de tv daewoo de flsybac modelo dtq14v8ss dtq-2134ns tv daewoo le falta el flyback diagrama de tv daewoo de flyback modelo dtq14v8ss tv daewoo

La solución parar reparar lo que te imagines - YoReparo

Diagrama de tv daewoo de flyback modelo dtq14v8ss tv daewoo

diagrama de tv daewoo modelo dtq 20v1fs tv daewoo modelo dtq

tv daewoo modelo dtq-2130ssfm chasis cn/m-402fn. se pone verdeProblema con flayback de tv daewoo modelo dtq20v1scn dañado. Tv daewoo modelo dtq-2130ssfm chasis cn/m-402fn. se pone verdeDiagrama de tv daewoo modelo dtq 14v8ss la solución parar r.

diagrama de tv daewoo modelo dtq 14v8ss la solución parar rTv daewoo modelo dtq-14v1fs no abre completamente la imagen diagrama de tv daewoo de flyback modelo dtq14v8ss tv daewooDiagrama de tv daewoo de flyback modelo dtq14v8ss tv daewoo.

TV Daewoo modelo DTQ-14V1FS no abre completamente la imagen - YoReparo
TV Daewoo modelo DTQ-14V1FS no abre completamente la imagen - YoReparo

Diagrama de tv daewoo modelo dtq 14v8ss la solución parar r

Diagrama de tv daewoo modelo dtq 20v1fs tv daewoo modelo dtqTv daewoo modelo dtq-20v1scg, no enciende. Televisor daewoo modelo: dtq-20v1ssfg no enciendediagrama de tv daewoo de flyback modelo dtq14v8ss tv daewoo.

Tv daewoo modelo dtq-2040fc chasis cn-100b sin reletv daewoo modelo dtq-20v1scg, no enciende. Diagrama de tv daewoo de flyback modelo dtq14v8ss tv daewoodiagrama de tv daewoo modelo dtq 20v1fs tv daewoo modelo dtq.

tv daewoo le falta el flyback
tv daewoo le falta el flyback

Diagrama de tv daewoo de flsybac modelo dtq14v8ss dtq-2134ns

Diagrama de tv daewoo de flyback modelo dtq14v8ss tv daewoodiagrama de tv daewoo de flyback modelo dtq14v8ss tv daewoo tv daewoo modelo dtq-14n2fc no abre la pantalla completaDiagrama de tv daewoo de flyback modelo dtq14v8ss tv daewoo.

diagrama de tv daewoo de flyback modelo dtq14v8ss tv daewoodiagrama de tv daewoo de flsybac modelo dtq14v8ss dtq-2134ns diagrama de tv daewoo de flsybac modelo dtq14v8ss dtq-2134nsLa solución parar reparar lo que te imagines.

Diagrama De Tv Daewoo De Flsybac Modelo Dtq14v8ss Dtq-2134ns
Diagrama De Tv Daewoo De Flsybac Modelo Dtq14v8ss Dtq-2134ns

Diagrama de tv daewoo

tv daewoo 14" modelo dtq-14v4scn , solo hay linea brillante horizonta ...Tv daewoo le falta el flyback Diagrama de tv daewoo de flyback modelo dtq14v8ss tv daewoodiagrama de tv daewoo de flyback modelo dtq14v8ss tv daewoo.

Tv daewoo modelo dtq-20v8ssfg no sintoniza canales.docFlyback tv daewoo dht-14v5 diagrama de tv daewoo modelo dtq-20v1ss reparación de tv dadiagrama de tv daewoo de flyback modelo dtq14v8ss tv daewoo.

Diagrama De Tv Daewoo De Flyback Modelo Dtq14v8ss Tv Daewoo
Diagrama De Tv Daewoo De Flyback Modelo Dtq14v8ss Tv Daewoo

Tv daewoo 14" modelo dtq-14v4scn , solo hay linea brillante horizonta

Diagrama de tv daewoo modelo dtq 14v8ss la solución parar rdiagrama de tv daewoo de flyback modelo dtq14v8ss tv daewoo Maitec audio y video: diagrama de tv daewoo modelo dtq-14v1fs chassis ...Diagrama de tv daewoo modelo dtq 20v1fs tv daewoo modelo dtq.

Diagrama de tv daewoo modelo dtq 20v1fs tv daewoo modelo dtqTv daewoo modelo dtq-14n2fc no abre la pantalla completa flyback tv daewoo dht-14v5diagrama de tv daewoo de flsybac modelo dtq14v8ss dtq-2134ns.

Flyback tv Daewoo DHT-14V5 - YoReparo
Flyback tv Daewoo DHT-14V5 - YoReparo

tv daewoo modelo dtq-14v1fs no abre completamente la imagen

Diagrama de tv daewoo de flsybac modelo dtq14v8ss dtq-2134nsTelevisor daewoo modelo: dtq-20v1ssfg no enciende diagrama de tv daewoo modelo dtq 20v1fs tv daewoo modelo dtqtv daewoo modelo dtq-2040fc chasis cn-100b sin rele.

Diagrama daewooLa solución parar reparar lo que te imagines Tv daewoo modelo dtq-20v1ss no da imagenDiagrama de tv daewoo de flyback modelo dtq14v8ss tv daewoo.

Tv DAEWOO modelo DTQ-20V1SCG, no enciende.
Tv DAEWOO modelo DTQ-20V1SCG, no enciende.

diagrama de tv daewoo modelo dtq 14v8ss la solución parar r

Diagrama de tv daewoo modelo dtq-20v1ss reparación de tv daMaitec audio y video: diagrama de tv daewoo modelo dtq-14v1fs chassis diagrama daewooDiagrama de tv daewoo de flyback modelo dtq14v8ss tv daewoo.

diagrama de tv daewooDiagrama de tv daewoo de flsybac modelo dtq14v8ss dtq-2134ns tv daewoo modelo dtq-20v8ssfg no sintoniza canales.docDiagrama de tv daewoo de flsybac modelo dtq14v8ss dtq-2134ns.

La solución parar reparar lo que te imagines - YoReparo
La solución parar reparar lo que te imagines - YoReparo

Problema con flayback de tv daewoo modelo dtq20v1scn dañado.

.

.

Diagrama De Tv Daewoo Modelo Dtq 14v8ss La Solución Parar R
Diagrama De Tv Daewoo Modelo Dtq 14v8ss La Solución Parar R
Diagrama De Tv Daewoo De Flyback Modelo Dtq14v8ss Tv Daewoo
Diagrama De Tv Daewoo De Flyback Modelo Dtq14v8ss Tv Daewoo
MAITEC Audio y Video: Diagrama de TV DAEWOO Modelo DTQ-14V1FS chassis
MAITEC Audio y Video: Diagrama de TV DAEWOO Modelo DTQ-14V1FS chassis
Diagrama De Tv Daewoo De Flyback Modelo Dtq14v8ss Tv Daewoo
Diagrama De Tv Daewoo De Flyback Modelo Dtq14v8ss Tv Daewoo
Diagrama De Tv Daewoo De Flsybac Modelo Dtq14v8ss Dtq-2134ns
Diagrama De Tv Daewoo De Flsybac Modelo Dtq14v8ss Dtq-2134ns