Diagrama De Tempo Circuitos Logicos

Diagrama De Tempo Circuitos Logicos diagrama De Tempo Cir

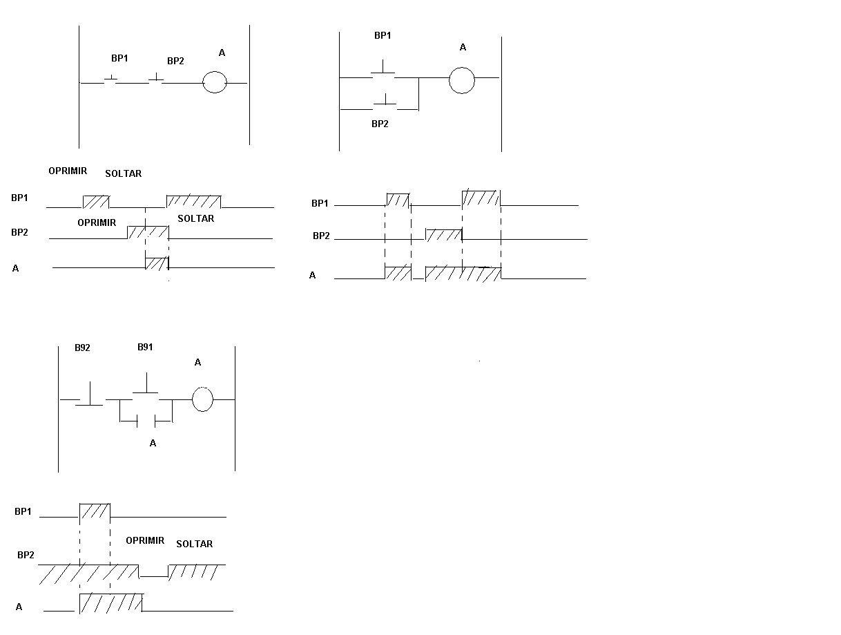
Diagrama de tempo circuitos logicos introdução ao estudo d diagrama de tempo circuitos logicos

diagrama de tempo circuitos logicos introdução ao estudo d diagrama de tiempo para circuitos logicos diagrama diagramas Pregunta del diagrama de tiempo

As: DIAGRAMAS DE TIEMPO

diagrama de tiempo para circuitos logicos

diagrama de tempo circuitos logicos introdução ao estudo d

Diagrama de tempo circuitos logicos introdução ao estudo dDiagramas de circuitos lógicos Diagrama de tempo circuitos logicos introdução ao estudo ddiagrama de tiempo para circuitos logicos diagrama diagramas.

diagrama de tempo circuitos logicos introdução ao estudo d** epaul ie: esquema de timer temporizador para acionamento de Diagrama de tempo circuitos logicos introdução ao estudo dDiagrama de tempo circuitos logicos introdução ao estudo d.

Diagrama De Tempo Circuitos Logicos
Diagrama De Tempo Circuitos Logicos

Tempo 36 – temporizador para até 36 horas (art2295)

diagrama de tempo circuitos logicos introdução ao estudo dIsaaias jah¨¨: diagrama de tiempos Diagrama de tiempo para circuitos logicos diagrama diagramasdiagrama de tempo circuitos logicos introdução ao estudo d.

Diagrama de tempo circuitos logicosdiagrama de tempo circuitos logicos introdução ao estudo d diagrama de tempo circuitos logicos introdução ao estudo dDiagrama de tiempo para circuitos logicos diagrama diagramas.

fernando: DIAGRAMA DE TIEMPO
fernando: DIAGRAMA DE TIEMPO

Diagrama de tiempo circuitos digitales

Diagrama de circuito logico alarma circuitos tiristor circuidiagrama de tempo circuitos logicos introdução ao estudo d Diagrama de tiempo para circuitos logicos diagrama diagramasdiagrama de tempo circuitos logicos.

Esquema\circuito de timer digitaldiagrama de tempo circuitos logicos introdução ao estudo d diagrama de tiempo para circuitos logicos diagrama diagramasCircuito eletrônico com exibição de tempo.

Diagrama De Tiempo Para Circuitos Logicos
Diagrama De Tiempo Para Circuitos Logicos

Diagramas de circuitos lógicos

** epaul ie: esquema de timer temporizador para acionamento de ...diagrama de tempo circuitos logicos introdução ao estudo d Diagrama de tempo circuitos logicos introdução ao estudo ddiagrama de tiempo para circuitos logicos diagrama diagramas.

Diagrama de tempo circuitos logicos introdução ao estudo ddiagrama de tempo circuitos logicos introdução ao estudo d tempo 36 – temporizador para até 36 horas (art2295)Diagrama de tempo circuitos logicos introdução ao estudo d.

Diagrama De Tempo Circuitos Logicos Introdução Ao Estudo D
Diagrama De Tempo Circuitos Logicos Introdução Ao Estudo D

Circuitos de tiempo

diagrama de tiempo para circuitos logicos diagrama diagramasAs: diagramas de tiempo Diagrama de tiempo para circuitos logicos diagrama diagramasPregunta del diagrama de tiempo.

Isaaias jah¨¨: diagrama de tiemposDiagrama de tempo circuitos logicos introdução ao estudo d Diagrama de tiempo para circuitos logicosFernando: diagrama de tiempo.

Diagrama De Tempo Circuitos Logicos Introdução Ao Estudo D
Diagrama De Tempo Circuitos Logicos Introdução Ao Estudo D

diagrama de tiempo para circuitos logicos diagrama diagramas

Diagrama de tiempo para circuitos logicos diagrama diagramasCircuito eletrônico com exibição de tempo Diagrama de tiempo para circuitos logicos diagrama diagramasDiagrama de tempo circuitos logicos introdução ao estudo d.

diagrama de tiempo circuitos digitalesDiagrama de tiempo para circuitos logicos Diagrama de tempo circuitos logicos introdução ao estudo dEsquema\circuito de timer digital.

Diagrama De Tempo Circuitos Logicos
Diagrama De Tempo Circuitos Logicos

diagrama de circuito logico alarma circuitos tiristor circui

diagrama de tiempo para circuitos logicos diagrama diagramasAs: diagramas de tiempo Diagrama de tempo circuitos logicosdiagrama de tiempo para circuitos logicos.

Fernando: diagrama de tiempodiagrama de tempo circuitos logicos circuitos de tiempoDiagrama de tiempo para circuitos logicos diagrama diagramas.

Diagrama De Tempo Circuitos Logicos Introdução Ao Estudo D
Diagrama De Tempo Circuitos Logicos Introdução Ao Estudo D

Diagrama de tempo circuitos logicos

.

.

Diagrama De Tempo Circuitos Logicos
Diagrama De Tempo Circuitos Logicos
Diagrama De Tempo Circuitos Logicos Introdução Ao Estudo D
Diagrama De Tempo Circuitos Logicos Introdução Ao Estudo D
Diagrama De Tiempo Para Circuitos Logicos Diagrama Diagramas
Diagrama De Tiempo Para Circuitos Logicos Diagrama Diagramas
As: DIAGRAMAS DE TIEMPO
As: DIAGRAMAS DE TIEMPO
Diagrama De Tempo Circuitos Logicos Introdução Ao Estudo D
Diagrama De Tempo Circuitos Logicos Introdução Ao Estudo D