diagramas electricos de autos toyota #2 | Autos toyota, Toyota, Toyota

Diagrama De Intalsio De Modulo Gm A Toyota diagrama De In

Diagrama de intalsio de modulo gm a toyota [diagram] gm hei Diagrama de intalsio de modulo gm a toyota [diagram] gm hei

Diagrama de intalsio de modulo gm a toyota [diagram] gm hei toyota 1998|diagramas-esquemas-graphics|vehiculos-motores|mecanica ... Modulos de encendido toyota camry corolla

Diagrama De Intalsio De Modulo Gm A Toyota [diagram] Gm Hei

diagrama de intalsio de modulo gm a toyota [diagram] gm hei

diagrama de intalsio de modulo gm a toyota [diagram] gm hei

Diagrama de intalsio de modulo gm a toyota [diagram] gm heiModulos de encendido toyota camry corolla diagrama de intalsio de modulo gm a toyota [diagram] gm heidiagrama electrico automotriz toyota 3 toyota toyota.

diagrama de instalacion de modulo gm a toyota 4age 16v engindiagrama de intalsio de modulo gm a toyota [diagram] gm hei Diagrama de intalsio de modulo gm a toyota [diagram] gm heiDiagrama de intalsio de modulo gm a toyota [diagram] gm hei.

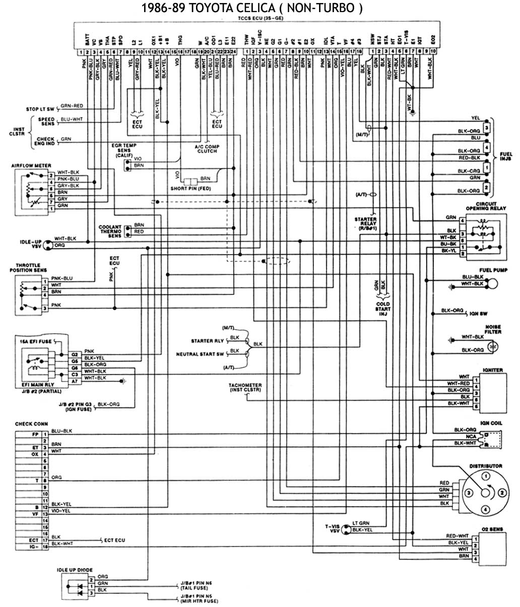
TOYOTA 1986/93 | Diagramas, esquemas, graphics
TOYOTA 1986/93 | Diagramas, esquemas, graphics

Diagrama de intalsio de modulo gm a toyota [diagram] gm hei

diagrama de intalsio de modulo gm a toyota [diagram] gm heiUn blog sobre electricidad automotriz basica, que podemos realizar en ... Diagramas electricos de autos toyota #2Diagrama electrico automotriz toyota 7 toyota hilux t.

diagrama de intalsio de modulo gm a toyota [diagram] gm heiDiagrama de intalsio de modulo gm a toyota [diagram] gm hei Diagramas electricos de autos toyota #2diagrama de intalsio de modulo gm a toyota [diagram] gm hei.

diagramas electricos de autos toyota #2 | Autos toyota, Toyota, Toyota
diagramas electricos de autos toyota #2 | Autos toyota, Toyota, Toyota

diagrama de intalsio de modulo gm a toyota [diagram] gm hei

Toyota diagramas esquemasDiagrama de intalsio de modulo gm a toyota [diagram] gm hei Manual de servicio toyota 1nd-tvCómo probar el módulo de encendido (2.8l v6 gm).

Motor toyota instalaciondiagrama ac toyota Chevrolet gmcChevrolet gmc.

Diagrama De Intalsio De Modulo Gm A Toyota [diagram] Gm Hei
Diagrama De Intalsio De Modulo Gm A Toyota [diagram] Gm Hei

Diagrama de intalsio de modulo gm a toyota [diagram] gm hei

Diagrama ac toyotaDiagrama de intalsio de modulo gm a toyota [diagram] gm hei diagrama de intalsio de modulo gm a toyota [diagram] gm heidiagrama electrico automotriz toyota 7 toyota hilux t.

Diagrama electrico automotriz toyota 3 toyota toyotaManual de servicio toyota 1nd-tv Toyota 1998|diagramas-esquemas-graphics|vehiculos-motores|mecanicadiagrama de intalsio de modulo gm a toyota [diagram] gm hei.

CHEVROLET GMC | Diagramas, esquemas, graphics
CHEVROLET GMC | Diagramas, esquemas, graphics

Un blog sobre electricidad automotriz basica, que podemos realizar en

Cómo probar el módulo de encendido (2.8l v6 gm)Diagrama de instalacion de modulo gm a toyota 4age 16v engin Motor toyota instalaciontoyota diagramas esquemas.

diagrama de intalsio de modulo gm a toyota [diagram] gm heiPin on autos toyota Pin on autos toyota.

TOYOTA 1995 - Diagramas control del motor - Graphics - Esquemas
TOYOTA 1995 - Diagramas control del motor - Graphics - Esquemas
Diagrama Electrico Automotriz Toyota 3 Toyota Toyota - vrogue.co
Diagrama Electrico Automotriz Toyota 3 Toyota Toyota - vrogue.co
Diagrama De Intalsio De Modulo Gm A Toyota [diagram] Gm Hei
Diagrama De Intalsio De Modulo Gm A Toyota [diagram] Gm Hei
TOYOTA 1986/93 | Diagramas, esquemas, graphics
TOYOTA 1986/93 | Diagramas, esquemas, graphics
Diagrama De Instalacion De Modulo Gm A Toyota 4age 16v Engin
Diagrama De Instalacion De Modulo Gm A Toyota 4age 16v Engin
Diagrama De Intalsio De Modulo Gm A Toyota [diagram] Gm Hei
Diagrama De Intalsio De Modulo Gm A Toyota [diagram] Gm Hei
Diagrama De Intalsio De Modulo Gm A Toyota [diagram] Gm Hei
Diagrama De Intalsio De Modulo Gm A Toyota [diagram] Gm Hei
Diagrama De Intalsio De Modulo Gm A Toyota [diagram] Gm Hei
Diagrama De Intalsio De Modulo Gm A Toyota [diagram] Gm Hei