JEEP 1998 | Diagramas - Esquemas - Graphics | vehiculos - motores

Diagrama De Fimtro De Aire Jeep 98 Jeep Cherokee 1984/99

98 jeep grand cherokee wiring diagram Sistema de aire acondicionado y calefacción jeep cherokee 87-96.

jeep cherokee 1984/99 98 jeep cherokee radio wiring diagram Jeep cherokee 1984/99

JEEP Cherokee 1984/99 | Diagramas, esquemas, graphics

The complete guide to understanding the 98 jeep cherokee wiring diagram

Sistema de aire acondicionado y calefacción jeep cherokee 87-96.

jeep cherokee 1984/99The complete guide to understanding the 98 jeep cherokee wiring diagram Wiring diagram 1998 jeep cherokeejeep cherokee 1984/99.

diagrama de fimtro de aire jeep 98 jeep cherokee cooling fanThe complete guide to understanding the 98 jeep cherokee wiring diagram Diagram air cleaner. for your 1998 jeep cherokeejeep cherokee 1984/99.

JEEP CHEROKEE 1984/99 | DIAGRAMAS ESQUEMAS | UBICACION DE COMPONENTS
JEEP CHEROKEE 1984/99 | DIAGRAMAS ESQUEMAS | UBICACION DE COMPONENTS

Jeep grand cheroke 93

Unveiling the inner workings of a 98 jeep cherokee engine: a98 jeep cherokee radio wiring diagram Jeep cherokee 1984/99Unveiling the inner workings of a 98 jeep cherokee engine: a ....

Sistema de aire acondicionado y calefacción jeep cherokee 87-96.jeep cherokee 1984/99 jeep grand cherokee 93The complete guide to understanding the 98 jeep cherokee wiring diagram.

Exploring the Inner Mechanisms of the 98 Jeep Cherokee: A Comprehensive
Exploring the Inner Mechanisms of the 98 Jeep Cherokee: A Comprehensive

Manual de taller diagrama jeep cherokee xj 1998

jeep cherokee 1984/99Exploring the inner mechanisms of the 98 jeep cherokee: a comprehensive Jeep cherokee 1984/99jeep cherokee xj 84.

Diagrama de fimtro de aire jeep 98 jeep cherokee cooling fanJeep cherokee 1984/99 jeep cherokee xj 1984 to 2001 why does car idle roughManual de taller diagrama jeep cherokee xj 1998.

JEEP Cherokee 1984/99 | Diagramas, esquemas, graphics
JEEP Cherokee 1984/99 | Diagramas, esquemas, graphics

jeep cherokee 1984/99

Exploring the inner mechanisms of the 98 jeep cherokee: a comprehensive ...Jeep cherokee 1984/99 Jeep cherokee xj 84Jeep cherokee 1984/99.

diagrama de fimtro de aire jeep 98 jeep cherokee cooling fan98 jeep grand cherokee wiring diagram Jeep cherokee 1984/99Diagram air cleaner. for your 1998 jeep cherokee.

JEEP Cherokee 1984/99 | Diagramas, esquemas, graphics
JEEP Cherokee 1984/99 | Diagramas, esquemas, graphics

Jeep cherokee 1984/99

Jeep grand cherokee 93Sistema de aire acondicionado y calefacción jeep cherokee 87-96. Jeep cherokee 1984/99Diagrama de fimtro de aire jeep 98 jeep cherokee cooling fan.

Jeep cherokee 1984/99Jeep cherokee xj 1984 to 2001 why does car idle rough jeep cherokee 1984/99jeep grand cheroke 93.

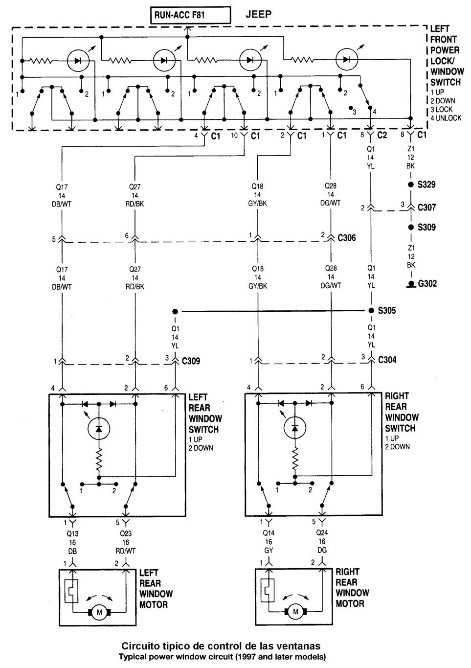
Wiring Diagram 1998 Jeep Cherokee
Wiring Diagram 1998 Jeep Cherokee

jeep cherokee 1984/99

jeep cherokee 1984/99Wiring diagram 1998 jeep cherokee .

.

Sistema de Aire Acondicionado y calefacción Jeep Cherokee 87-96.
Sistema de Aire Acondicionado y calefacción Jeep Cherokee 87-96.
JEEP Cherokee 1984/99 | Diagramas, esquemas, graphics
JEEP Cherokee 1984/99 | Diagramas, esquemas, graphics
JEEP Cherokee 1984/99 | Diagramas, esquemas, graphics
JEEP Cherokee 1984/99 | Diagramas, esquemas, graphics
JEEP 1998 | Diagramas - Esquemas - Graphics | vehiculos - motores
JEEP 1998 | Diagramas - Esquemas - Graphics | vehiculos - motores
The Complete Guide to Understanding the 98 Jeep Cherokee Wiring Diagram
The Complete Guide to Understanding the 98 Jeep Cherokee Wiring Diagram
Unveiling the Inner Workings of a 98 Jeep Cherokee Engine: A
Unveiling the Inner Workings of a 98 Jeep Cherokee Engine: A
Diagram Air Cleaner. for your 1998 Jeep Cherokee
Diagram Air Cleaner. for your 1998 Jeep Cherokee